Su producto se añadio al carrito!, revisa tu Carrito para finalizar la compra, o sigue mirando productos!
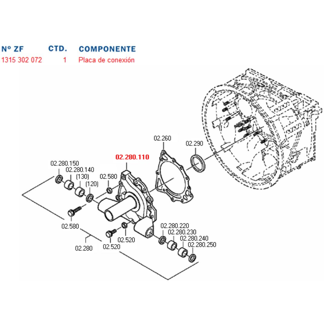
Codigo: 1315302072
GUIA DE DIRECTA (16S-221) (TAPA DE CONEXION)
Otros codigos
- 1315202055
- 93193578
- 42536234
- 95535210
- T64744
Modelos
-
NUEVO TRAKKER
- 410T38 AD
- 380T38 AD
- 720T42T
- 380T42
- 380T38
- 380T48T AT - ECOLINE
- 410T44 AD EUROTRONIC - ECOLINE
- 740T48T AD - ECOLINE
- 380T44 AD - ECOLINE
- 410T44 AD - ECOLINE
- 410T48 AD - ECOLINE
-
EUROTRAKKER
- 380T42
- 450E37T
- 380T38
- 720T42T
- 720E42
- 380E37
-
NUEVO STRALIS
- 490S39T NR
- 490S46T NR
- 570S38T NR
- 490S38T HR (NR)
- 490S38T NR
- 200S38 NR
- 200S46 NR
- 740S46TZ NR
- 740S41TZ NR
- 570S46T NR
- 570S41T NR
- 490S46T HR (NR)
- 490S41T HR (NR)
- 490S41T NR
- 200S41 NR
- 490S42T
- 200S38
- 200S42
- 740S42TZ
- 570S38T
- 570S42T
- 490S42T HR
- 490S38T HR
- 490S38T/P
- 490S38T
- 200S40 AT - ECOLINE
- 200S33 AD - ECOLINE
- 490S48T AS - ECOLINE
- 800S48T AS - ECOLINE
- 200S36 AD - ECOLINE
- 460S33T AT - ECOLINE
- 490S44T AT - ECOLINE
- 490S40T AT - ECOLINE
- 200S36 AT - ECOLINE
- 800S44T AT - ECOLINE
- 600S44T AT - ECOLINE
- 600S40T AT - ECOLINE
- 530S36T AT - ECOLINE
- 490S44T HI-WAY EUROTRONIC - ECOLINE
- 460S36T AT - ECOLINE
-
STRALIS
- 450S42TP
- 450S42 HR
- 450S42T
- 200S42
- 570S42T
- 570S38T
- 450S38TP
- 740S42TZ
- 200S38
- 450S38 HR
- 450S38T
-
EUROTECH
- 440E42TZ/P
- 740E42TZ
- 440E42T
-
CURSOR
- 180C33 - ECOLINE
- 450C33 - ECOLINE
Compartir



